| HONOR |
|
The credit belongs to the past, the dream guide to the future,
The
pursuit of the first creed, motivate
us
Way forward, never stop.
We will be
This is a power,
bearing the past, create the future |
|
|
| PRODUCTS |
|
| Pneumatic cylinder series |
|
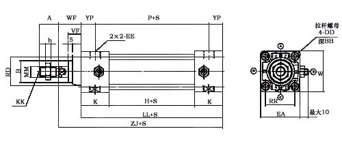
QGBQ series light cylinder
|
| |
| Main technical parameters |
|
|
| Cylinder main technical parameters |
| |
|
|
QGBQ标准型
|
QGBQ-F(带阀型)
|
|
QGBQ-K(带开关型)
|
QGBQ-FK(带阀带开关型)
|
|
Bores(mm)
|
φ32
|
φ40
|
φ50
|
φ63
|
φ80
|
φ100
|
φ32
|
φ40
|
φ50
|
φ63
|
φ80
|
φ100
|
|
Maximum stroke (mm)
|
500
|
800
|
1000
|
500
|
800
|
1000
|
|
Use pressure range
|
0.05~0.8Mpa
|
0.15~0.8Mpa
|
|
Pressure resistance
|
1.2Mpa
|
|
Use speed range
|
50~700mm/sec
|
50~500mm/sec
|
|
Using temperature range
|
5~60℃
|
5~50℃
|
|
Working medium
|
Air, dry air
|
|
To oil
|
Don't need (also can give oil)
|
|
Thread level
|
GB7307-87 6g·6H
|
|
Slow impact
|
On both sides of the adjustable buffer
|
|
Stroke length tolerance
(mm)
|
S≤500mm
|
φ32;φ40;φ50:0+2.0 φ63;φ80;φ100;0+2.5
|
|
S≥501mm
|
φ32;φ40;φ50:0+2.0 φ63;φ80;φ100;0+2.5
|
|
Buffer stroke (mm)
|
20
|
25
|
20
|
25
|
|
Theory heritability (N)
(压力为0.5MPa)
|
Push force
|
392
|
608
|
960
|
1519
|
2460
|
3842
|
392
|
608
|
960
|
1519
|
2460
|
3842
|
|
Push force
|
333
|
510
|
774
|
1333
|
2215
|
3606
|
333
|
510
|
774
|
1333
|
2215
|
3606
|
|
| Note :(1) QGBQ - K series cylinder in the middle position outfit switch, cylinder maximum speed should be in 300 mm/SEC of less than, make the apparatus and load sensitivity is the largest, work in good condition. (2) the cylinder beyond maximum stroke, users may contact the special manufacturing. |
|
|
|
|
| Previous:Hydraulic cylinder series Next:Hydraulic power unit series |  |
|
|