| HONOR |
|
The credit belongs to the past, the dream guide to the future,
The
pursuit of the first creed, motivate
us
Way forward, never stop.
We will be
This is a power,
bearing the past, create the future |
|
|
| PRODUCTS |
|
| Pneumatic cylinder series |
|
|
|
|
|
|
|
|
|
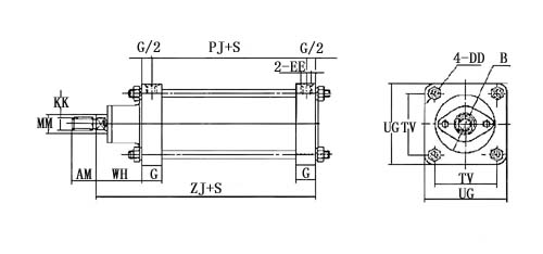
JB180×300-S
|
| |
| JB series cylinder is metallurgical equipment with cylinder, namely one ministerial standard cylinder, accord with JB1444-1448 standard, it is a kind of belt buffer device of heavy cylinder. Working medium for the purifying oil fog compressed air. |
|
|
| Marking explanation:JB①-②-③ |
| |
| |
①Bores(mm)②Cylinder stroke(mm)③Cylinder install form: no sign: basic (equivalent to JB1444-74) f: front flange |
| |
(equivalent to JB1447-74) F: after flange (equivalent to JB1446-74) G: feet frame (equivalent to JB1446-74) B: intermediate pendulum shaft type |
| |
(equivalent to JB1445-74) S: tail suspension type (equivalent to JB1448-74) |
| |
| Basic parameters |
| |
| |
|
Bores
(mm)
|
Travel range
(mm)
|
Working pressure range
(MPa)
|
The ambient temperature
(℃)
|
Theory force (N) (pressure is 0.4 MPa the calculation of)
|
|
thrust
|
tension
|
|
φ80
|
60~800
|
0.15~0.8
|
-10~80
|
2000
|
1700
|
|
φ100
|
60~800
|
0.15~0.8
|
3150
|
2850
|
|
φ125
|
80~2000
|
0.1~0.8
|
4900
|
4400
|
|
φ160
|
80~2000
|
0.1~0.8
|
8050
|
7500
|
|
φ180
|
100~2500
|
0.1~0.8
|
10200
|
9400
|
|
φ200
|
100~2500
|
0.1~0.8
|
12600
|
11800
|
|
φ250
|
125~2500
|
0.1~0.8
|
19600
|
18100
|
|
φ320
|
125~2500
|
0.1~0.8
|
32150
|
29600
|
|
φ400
|
125~2500
|
0.1~0.8
|
50300
|
47700
|
|
| Note : |
According to the above-mentioned choose cylinder, the theory should be thrust and tension increase 15 ~ 20% |
|
|
|
|
| Previous:Hydraulic cylinder series Next:Hydraulic power unit series |  |
|
|