液压系统
塑料机械
柱塞油缸
水压缸系列
气源处理(三联件)(阀类)
精密钢管系列
气液增力冲压机系列
气动阀门系列
木工机械
轧机锁紧缸
液压缸系列
气压缸系列
液压动力单元系列
精密活塞杆系列
其它产品
 
荣誉证书 HONOR
荣誉属于过去,梦想引导未来,
追求第一的信条,激励我们一
路向前,永不止步。我们将以
此为动力,承载过去,开创未来
 
产品中心 products
气压缸系列
QGA、QGB系列气缸
QGA系列无缓冲气缸
 
  QGA系列气缸是无缓冲装置的普通气缸,工作介质为经过净化处理的含油雾压缩空气。
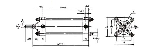
标注说明:QGA①-②-③
 
①气缸内径 ②气缸行程 ③气缸安装形式 无记号:基本型 f:前法兰式
  F:后法兰式 G:脚架式 B:中间摆轴式 S:尾部悬挂式
 
基本参数:
气缸内径
(mm)
行程范围
(mm)
工作压力范围
(MPa)
周围介质温度
(℃)
理论作用力(N)
(压力为0.4MPa时计算)
推力
拉力
φ40
0~300
0.15~0.8
-10~80
500
450
φ50
0~300
0.15~0.8
780
700
φ63
0~800
0.15~0.8
1250
1120
φ80
0~800
0.15~0.8
2010
1880
φ100
0~1500
0.15~0.8
3140
2950
φ125
0~2000
0.1~0.8
4910
4720
φ160
0~2500
0.1~0.8
8040
7720
φ200
0~2500
0.1~0.8
12570
12250
φ250
0~2500
0.1~0.8
19640
19140
 
注:根据上表选用气缸时,应将理论推力和拉力增大15~20%
QGB系列缓冲气缸
 
 
 
QGB50×180-CA
 
  QGB系列气缸是缓冲气缸。工作介质为经过净化处理的含油雾压缩空气。
  气缸的缓冲作用,是当活塞运动到接近行程末端时,安装于气缸内部的缓冲装置开始起作用,使
  活塞运动速度降低,运动平稳,避免发生冲击现象,该系列气缸缸径φ40、φ50mm的为不可调缓
  冲,缸径φ63mm及以上缸径的气缸为可调缓冲。
 
标注说明QGA①-②-③
 
 
  ①气缸内径 ②气缸行程 ③气缸安装形式 无记号:基本型 f:前法兰式
    F:后法兰式 G:脚架式 B:中间摆轴式 S:尾部悬挂式
基本参数
 
注:根据上表选用气缸时,应将理论推力和拉力增大15~20%
 
气缸内径
(mm)
行程范围
(mm)
工作压力范围
(MPa)
周围介质温度
(℃)
理论作用力(N)
(压力为0.4MPa时计算)
推力
拉力
φ40
40~300
0.15~0.8
-10~80
500
450
φ50
40~300
0.15~0.8
780
700
φ63
63~800
0.15~0.8
1250
1120
φ80
63~800
0.15~0.8
2010
1880
φ100
100~1500
0.15~0.8
3140
2940
φ125
100~2000
0.1~0.8
4920
4520
φ160
160~2500
0.1~0.8
8040
7540
φ200
160~2500
0.1~0.8
12560
12060
φ250
250~2500
0.1~0.8
19640
18860
φ320
300~2500
0.1~0.8
32160
30910
φ400
300~2500
0.1~0.8
50400
48400
   

«1 2 3 4 5 6 »

上一页:液压缸系列
下一页:液压动力单元系列
    
 

 Copyright © 2012 无锡市汇宏液压气动有限公司 All Rrights Reserved