液压系统
塑料机械
柱塞油缸
水压缸系列
气源处理(三联件)(阀类)
精密钢管系列
气液增力冲压机系列
气动阀门系列
木工机械
轧机锁紧缸
液压缸系列
气压缸系列
液压动力单元系列
精密活塞杆系列
其它产品
 
荣誉证书 HONOR
荣誉属于过去,梦想引导未来,
追求第一的信条,激励我们一
路向前,永不止步。我们将以
此为动力,承载过去,开创未来
 
产品中心 products
气压缸系列

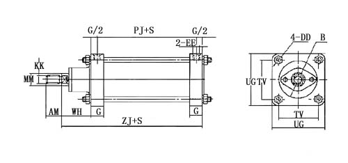
JB系列气缸

JB180×300-S
 
JB系列气缸是冶金设备用气缸,即一体部标准气缸,符合JB1444-1448标准,是一种带缓冲装置的重型气缸。工作介质为经净化处理的含油雾压缩空气。
标注说明:JB①-②-③
 
  ①气缸内径(mm)②气缸行程(mm)③气缸安装形式:无记号:基本型(相当于JB1444-74)f:前法兰式
  (相当于JB1447-74)F:后法兰式(相当于JB1446-74)G:脚架式(相当于JB1446-74)B:中间摆轴式
  (相当于JB1445-74)S:尾部悬挂式(相当于JB1448-74)
 
基本参数
 
 
气缸内径
(mm)
行程范围
(mm)
工作压力范围
(MPa)
周围介质温度
(℃)
理论作用力(N)
(压力为0.4MPa时计算)
推力
拉力
φ80
60~800
0.15~0.8
-10~80
2000
1700
φ100
60~800
0.15~0.8
3150
2850
φ125
80~2000
0.1~0.8
4900
4400
φ160
80~2000
0.1~0.8
8050
7500
φ180
100~2500
0.1~0.8
10200
9400
φ200
100~2500
0.1~0.8
12600
11800
φ250
125~2500
0.1~0.8
19600
18100
φ320
125~2500
0.1~0.8
32150
29600
φ400
125~2500
0.1~0.8
50300
47700
注: 根据上表选用气缸时,应将理论推力和拉力增大15~20%
   

« 1 2 3 4 5 6 »

上一页:液压缸系列
下一页:液压动力单元系列
    
 

 Copyright © 2012 无锡市汇宏液压气动有限公司 All Rrights Reserved